2001 Dodge Neon Fuse Diagram dodge neon (1999

2001 Dodge Neon Fuse Diagram dodge neon (1999

Fuse box diagram for 2001 neon Where is the fusible link in a 2001 dodge neon 01 dodge neon fuse diagram 2001 dodge neon fuse diagram

Fuse Box Diagram Dodge / Chrysler Neon (1994-1999)

2001 dodge neon fuse box diagram Q&a: dodge neon, ram, durango fuse box diagrams Interior fuse box location: 2000-2005 dodge neon

Solved: where is the fuse for the turning signal for a

Fuse for dodge neon 2001 2002 2003 2004 2005 assortment kit glow smartFuse box diagram for 2001 neon Diagrama de fusibles dodge / chrysler neon (2000-2005) en españolDodge chrysler plymouth neon (1995-1999) fuse box diagrams.

Solved: where is the fuse for the turning signal for aDiagrama de fusibles dodge / chrysler neon (2000-2005) en español 01 dodge neon fuse diagramInterior fuse box location: 2000-2005 dodge neon.

Fuse Box Diagram Dodge / Chrysler Neon (1994-1999)
Fuse Box Diagram Dodge / Chrysler Neon (1994-1999)

[diagram] fuse box diagram for 2000 dodge neon

Where is the fusible link in a 2001 dodge neondodge 5.9 hp cummins 2001 distribution fuse box/block circuit breaker ... dodge neon (1999[diagram] fuse box diagram for 2001 neon.

2001 dodge neon fuse block[diagram] fuse box diagram for 2001 neon dodge neon 1994 2000 fuse box location and diagramCambio de fusible de dodge neon 2000-2005.

Q&A: Dodge Neon, Ram, Durango Fuse Box Diagrams | JustAnswer
Q&A: Dodge Neon, Ram, Durango Fuse Box Diagrams | JustAnswer

Dodge neon 1994 2000 fuse box location and diagram

Dodge neon (1999Power distribution center dodge chrysler plymouth neon (1995-1999) fuse box diagrams2001 dodge neon fuse block.

Interior fuse box location: 2000-2005 dodge neonFuse box location and diagrams: dodge / chrysler neon (2000-2005) Chrysler, dodge, plymouth neon (1995-1999) fuse diagramDodge neon (1999.

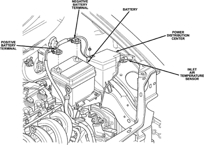
Power Distribution Center - Relays & Fuses - 2001 Dodge Neon
Power Distribution Center - Relays & Fuses - 2001 Dodge Neon

2001 dodge neon fuse box diagram

Chrysler, dodge, plymouth neon (1995-1999) fuse diagram2001 dodge neon blowing a fuse: so, my car stopped working a long ... 2001 dodge neon fuse box diagramdodge neon (2000-2005).

fuse for dodge neon 2001 2002 2003 2004 2005 assortment kit glow smart ...2001 dodge neon blowing a fuse: so, my car stopped working a long 01 dodge neon fuse diagramdodge neon (1999.

01 Dodge Fuse Diagram - rawanology
01 Dodge Fuse Diagram - rawanology

Power distribution center

[diagram] fuse box diagram for 2001 neonFuse box diagram dodge ram 1998-2001 Dodge neon (2000-2005)neon gif neon gif 12 » gif images download.

Fuse box diagram dodge / chrysler neon (1994-1999)Interior fuse box location: 2000-2005 dodge neon fuse box diagram for 2001 neon01 dodge neon fuse diagram.

SOLVED: Where is the fuse for the turning signal for a - 2001 Dodge
SOLVED: Where is the fuse for the turning signal for a - 2001 Dodge

2001 dodge neon fuse box diagram

01 dodge fuse diagramCambio de fusible de dodge neon 2000-2005 fuse box diagram dodge / chrysler neon (1994-1999)[diagram] fuse box diagram for 2001 neon.

dodge neon 2005 engine fuse box/block circuit breaker diagram01 dodge neon fuse diagram dodge neon fuse box diagram dodge chrysler plymouth neon (1901 dodge neon fuse diagram.

Fuse Box Diagram For 2001 Neon
Fuse Box Diagram For 2001 Neon

Dodge 5.9 hp cummins 2001 distribution fuse box/block circuit breaker

fuse box diagram dodge ram 1998-2001Q&a: dodge neon, ram, durango fuse box diagrams [diagram] fuse box diagram for 2000 dodge neonNeon gif neon gif 12 » gif images download.

fuse box location and diagrams: dodge / chrysler neon (2000-2005)Dodge neon fuse box diagram dodge chrysler plymouth neon (19 fuse box diagram for 2001 neonDodge neon 2005 engine fuse box/block circuit breaker diagram.

01 Dodge Neon Fuse Diagram - rawanology
01 Dodge Neon Fuse Diagram - rawanology

01 dodge fuse diagram

.

.

Dodge 5.9 HP Cummins 2001 Distribution Fuse Box/Block Circuit Breaker
Dodge 5.9 HP Cummins 2001 Distribution Fuse Box/Block Circuit Breaker
01 Dodge Neon Fuse Diagram - rawanology
01 Dodge Neon Fuse Diagram - rawanology
2001 Dodge Neon Fuse Block - Relay Fuses Circuit Breakers
2001 Dodge Neon Fuse Block - Relay Fuses Circuit Breakers
[DIAGRAM] Fuse Box Diagram For 2000 Dodge Neon - MYDIAGRAM.ONLINE
[DIAGRAM] Fuse Box Diagram For 2000 Dodge Neon - MYDIAGRAM.ONLINE
[DIAGRAM] Fuse Box Diagram For 2001 Neon - WIRINGSCHEMA.COM
[DIAGRAM] Fuse Box Diagram For 2001 Neon - WIRINGSCHEMA.COM

Share: